• sales@globalelectricvehiclescompany.com
  • +91- 989 909 4651
Follow Us:
logo
  • Home
  • About Us
  • Product
    • Golf cart 2 seater
    • Golf cart 4 seater
      • Golf Cart 4 Seater GE-2+2
      • 4 Seater GE-4
    • Golf Cart 6 Seater
      • 6 Seater GE- 4+2
      • 6 Seater
    • Golf cart 8 seater
    • Golf cart 11 seater
    • Golf cart 14 seater
    • Golf Cart Utility Vehicle GC
    • MHE Product
  • Spare Parts
    • E2W Spare Parts
    • E3W Spare Parts
    • Golf Cart Spare Parts
    • MHE Spare Parts
  • Ev Battery & Charger
    • E2W Battery & Charger
    • E3w Battery & Charger
    • Golf cart battery & charger
    • MHE battery & Charger
  • Services
    • Rental
    • Our Service
  • Catalouge
    • Amptek
    • Global E2W Spare Part
    • Global Electric CY Gold Parts
    • Global Sandev Battery Charger
    • Global Electric Golf Cart Spare Parts
    • Global Golf Cart Battery
    • Global Nanya E3W Spare Parts
    • Global Tvs Sirius Battery Charger
    • Neuron Catalouge
    • UTL Catalouge
  • Contact Us

Contact Info

  • Address
    2, Street No. 3, 12 Biswa, Behind Bharat Petrol Pump, Sector 5, Sheetla Mata Mandir Road, Gurugram-122001, Haryana, India
  • Phone
    +91- 989 909 4651
  • Email
    sales@globalelectricvehiclescompany.com service@globalelectricvehiclescompany.com saleshead@globalelectricvehiclescompany.com
  • Website
    www.globalelectricvehicles.com

Follow Us

Golf Cart Spare Parts

  • Home
  • Golf Cart Spare Parts

Golf Cart Tyre ( BKT/Carlisle/ MRL/Duro/Powerplus Make Size - 18x8.50.8 - 6 Ply)

Connect with Me

Golf Cart Tyre ( BKT/Carlisle/ MRL Make Size - 205/50-10 - 6 ply )

Connect with Me

Golf Cart Tyre ( Galaxy Duro/Power Plus Make Size - 20.5X8-10 - 8 ply )

Connect with Me

BDI - FNR Switch- Foot Brake - Acclatior Assy - Key Switch, Parking Brake, Light Switch

Connect with Me

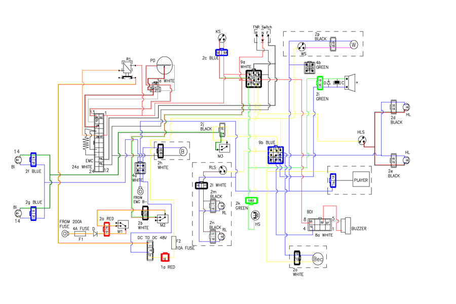
Golf Cart Light Layout Wiring

Connect with Me

Golf Cart Gear Box Assy

Connect with Me

Golf Cart Tyre

Connect with Me

Golf Cart Main Wiring Harness


Connect with Me

Golf Cart Power Wiring Harness


Connect with Me

Golf Cart Body panels assembly Part

Connect with Me

Golf Cart Transmission Assembly Complete Spare Parts

Connect with Me

Golf Cart Complete Seat assembly

Connect with Me

Golf Cart Controller & Relay (48V/60V/72V)

Connect with Me

Golf Cart Accelerator assembly Parts

Connect with Me

Golf Cart Steering Assembly Complete Spare Parts

Connect with Me

Golf Cart Canopy Frame Assembly Spare Parts

Connect with Me

Golf Cart Front Axle Assembly Spare Parts

Connect with Me

Golf Cart Brake Assembly Spare Parts

Connect with Me

Golf Cart Alloys Wheels Size 8x7 Inch, 10x7 Inch

Connect with Me

GO Cart Tyres Size - 10x4.5-5 Slick Front Tyre BKT Make

Connect with Me

Golf Cart BLDC/SMPS/AC Drive Motor

Connect with Me

GO Cart Tyres Size - 11x7.10-5 Slick Rear Tyre BKT Make

Connect with Me

Golf Cart Rear Brake Lights Spare Parts

Connect with Me

Golf Cart Accessories

Connect with Me

Golf Cart Front Rack Penion Assy

Connect with Me

Golf Cart Motor Speed Sensor/ Encoder/Temputure Sensor

Connect with Me

Golf Cart Parking Brake Cable

Connect with Me

Golf Cart Lithium & Lead Acid Battery Charger ( 36V/48V/60V/72V To 20 Amp To 40 Amp )

Connect with Me

Golf Cart Front Windshield

Connect with Me

Turf Tyres Make Carlisle/ Duro Size 15x6-6, 18x7.5-8,22x9.5-10,20x12-10,

Connect with Me

Golf Cart Front Hub Assy

Connect with Me

Golf Cart Ball Joints & Tie Rod Assy

Connect with Me

Golf Cart Stub Axle Assy LH & RH

Connect with Me

Golf Cart Rear & Front Showker

Connect with Me

Golf Cart Side Mirror LH & RH

Connect with Me

Golf Cart Steering Wheel Assy

Connect with Me

Turf Tyres Make Carlisle/ Duro Size 24x12-10,20x10-8, 20x12-10,20x10-10,24x12-12,15x6-6, 22x11-8,11x4-5

Connect with Me

Golf Cart Lighting Switches

Connect with Me

Golf Cart Steel Rim Size - 10x7 Inch 10x6 Inch

Connect with Me

Get In Touch

Quick Links

  • About Us
  • Rental
  • Contact Us

Our Services

  • E2W Spare parts
  • E3W Spare parts
  • Golf cart Spare parts
  • MHE Spare parts

Get In Touch

  • +91- 989 909 4651 +91 880 041 5608
  • sales@globalelectricvehiclescompany.com

Copyright © 2026 Global Electric Vehicles Company. All rights reserved.

callbackCall Now

Whatsapp

callbackFill a From